产品介绍
推入式开箱装箱封箱包装生产线整体展示

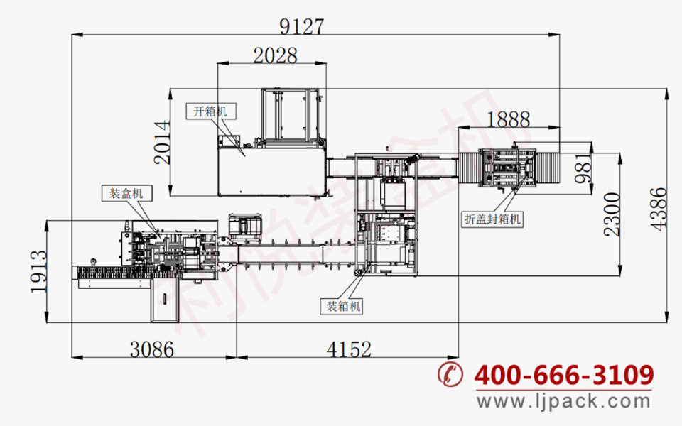
推入式开箱装箱封箱包装生产线机器尺寸图

推入式开箱装箱封箱包装生产线机器参数
- 电源功率:AC220V 50HZ 3.6KW
- 生产速度:6次/min(根据产品规格而定)
- 总耗气量:100L/min
- 使用气源:压力0.5-0.8mpa
- 纸箱材质:瓦楞纸
- 纸箱规格:500mm宽X400mm高X600mm长
- 机器尺寸:8350mm长X4700mm宽X2000高
- 机器重量:约重2000kg
推入式开箱装箱封箱包装生产线包装流程示意图

推入式开箱装箱封箱包装生产线机器介绍
推入式自动开箱装箱封箱包装线由我司LY-50W自动开箱机(可选配)、自动叠盒机、LY-600W自动装箱机(可定制)、LY-50D自动封箱机(可选配)等组成。
该生产线前端通常与自动装盒机连线,形式一条完整的产品装盒装箱包装生产线,无需人工干预。
自动装箱机部分采用吸盘机械手,对前端的来料产品进行排列整理,并堆叠。最后将堆叠后的推入卧倒的纸箱当中。装好产品的纸箱通过传送带输送至自动封箱机,进行纸箱封箱。
机器特点
本机器同时广泛用于如下行业产品自动装箱;
电子配件、制药行业、食品行业、日化行业、五金行业、汽配行业、塑料行业、电子行业、文娱行业、玩具行业、生活用纸行业等
1、适用于多种尺寸的纸箱自动开箱封底,如需变换纸箱规格,手动调节即可;
2、开箱机可单机作业,整机可与自动化包装流水线配套使用。
3、性能稳定、品质可靠、适用性强、包装效率高、使用寿命长;机件性能精密耐用,结构设计严密,运转过程无振动,运转稳定可靠;
4、自动化程度高:自动叠盒、自动开箱、自动折合下盖、自动密封下底胶带、自动入箱、自动封箱、自动打包、机器采用PLC+显示屏控制,方便操作,是自动化规模生产必不可少智能包装设备。
推入式开箱装箱封箱包装生产线局部展示





