产品介绍
一次性口罩包装生产线,包装工序涉及口罩自动装袋、自动装盒、自动装箱。无需人工干预。生产效率高,大幅度节省人工成本。
我公司(利悦)专业从事包装机器设备非标定制,包装生产线设计、制造。自2005成立以来先后为1000多家生产企业实现机器代替人手包装,涉及的行业有:食品、化妆品、日用、五金、汽车汽配等众多行业的包装设备经验。
欢迎新老客户携口罩产品来我们厂参观考察合作,实现共赢。
一次性口罩自动装盒装箱包装生产线机器展示



包装产品口罩展示

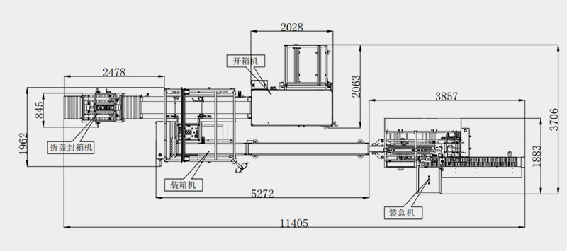
一次性口罩自动装盒装箱包装生产线机器尺寸图

一次性口罩自动装盒装箱包装生产线包装流程示意图

一次性口罩自动装盒装箱包装生产线机器参数
自动装盒机(可选配)
-
机器型号:300-2-680ZY
-
电源功率:AC220V 50HZ 粘盒5KW
-
生产速度:15-40盒/分钟
-
总耗气量:20m3/h(压 力0.5-0.8mpa)
-
使用气源:压力0.5-0.8mpa
-
纸盒材质:250-400克 灰、白卡
-
纸盒规格:L130-180 W40-110 H30-80
-
机器尺寸:3123x1734x1609mm
-
机器重量:约重1300kg
自动开箱机(可选配)
-
机器型号:LY-50L
-
电源功率:AC220V 50HZ 0.55KW
-
成型速度:6箱/分(稳定)
-
总耗气量:450nl/min
-
使用气源:6kgf/cm²、450nl/min
-
纸箱材质:瓦楞纸
-
纸箱规格:250≤L≤380mm 150≤W≤280mm 130≤H≤380mm L+W≤630mm 210≤H+W/2≤520mm
-
机器尺寸:L2100*W1250*H1840mm
-
机器重量:约重600kg
自动装箱机(可选配)
-
机器型号:LY-600L
-
电源功率:AC220V 50HZ 3KW
-
生产速度:8次/min
-
总耗气量:800nL/min
-
使用气源:6bar
-
纸箱材质:瓦楞纸
-
纸箱规格:520mm宽350mm高600mm长
-
机器尺寸:4480mmX3500mmX2100mm
-
机器重量:约重1200kg
折盖封底机(可选配)
-
机器型号:LY-50D
-
电源功率:AC220V 50HZ 0.4KW
-
生产速度:皮带速度:20米/分(10~15箱/分)
-
总耗气量:40nl/min
-
使用气源:6kgf/cm²、40nl/min
-
纸箱材质:瓦楞纸
-
纸箱规格:最小纸箱尺寸:L200*W120*H120mm 最多纸箱尺寸: L600*W500*H500mm 机器尺寸:L1700*W930*H1510mm
-
机器重量:约重180kg
一次性口罩自动装盒装箱包装生产线机器介绍
一次性口罩自动装盒装箱包装生产线由全自动装盒机、开箱机、自动叠盒机、自动装箱机、自动封箱机等组成。
一次性口罩经过全自动包装机进行包装,包好的袋装成品通过输送生产线进行理包整理,转向排序,加速缓冲,再以一定的数量自动有序的通过装盒机装入纸盒,再叠盒、到装箱、全自动封箱机构按要求封好纸箱,最后由物流线输出。
机器设备特点
本机器除了包装一次性口罩外,同时广泛用于如下行业产品装盒、装箱、包装;
电子配件:制药行业:食品行业:日化行业:五金行业:汽配行业:塑料行业:电子行业:文娱行业:玩具行业:生活用纸行业等
1、适用于多种尺寸的纸箱自动开箱封底,如需变换纸箱规格,手动调节即可;
2、开箱机可单机作业,也可与自动化包装流水线配套使用。
3、性能稳定、品质可靠、适用性强、包装效率高、使用寿命长;机件性能精密耐用,结构设计严密,运转过程无振动,运转稳定可靠;
4、自动化程度高:自动装盒、自动叠盒、自动开箱、自动折合下盖、自动密封下底胶带、自动入箱、自动封箱、自动打包、机器采用PLC+显示屏控制,方便操作,是自动化规模生产必不可少的流水线设备。
一次性口罩自动装盒装箱包装生产线机器局部展示




